斷路器、接觸器、中間繼電器、熱繼電器、按鈕、指示燈、萬能轉換開關和行程開關是電氣控制回路中最常見的八種元件,云潤儀表以圖文并茂的方式介紹常用電氣元件的原理及應用,通過了解它們在電氣回路中的作用來掌握這些元件平時的運行情況。
1、斷路器
低壓斷路器又稱為自動空氣開關,可手動開關,又能用來分配電能、不頻繁啟動異步電機,對電源線、電機等實行保護,當它們發生嚴重過載、短路或欠壓等故障時能自動切斷電路。
常用斷路器外形圖



1P微型斷路器 3P微型斷路器 塑殼斷路器
斷路器文字符號為:QF
斷路器圖形符號為:
單極斷路器圖形符號 三極斷路器圖形符號
2、接觸器
接觸器由電磁機構和觸頭系統兩部分組成,接觸器最常見線圈電壓有AC220V、AC380V和DC220V幾種。
接觸器電磁機構由線圈、動鐵心(銜鐵)和靜鐵心組成;接觸器觸頭系統由主觸頭和輔助觸頭兩部分組成,主觸頭用于通斷主電路,輔助觸頭用于控制電路中
常用接觸器外形圖片



接觸器文字符號為:KM
接觸器圖形符號為:
接觸器線圈圖形符號 接觸器主觸頭圖形符號 接觸器輔助常開觸頭圖形符號 接觸器輔助常開觸頭圖形符號
3、熱繼電器
熱繼電器是利用電流通過元件所產生的熱效應原理而反時限動作的繼電器。
最常見的熱繼電器圖片:
熱繼電器文字符號:FR
熱繼電器圖形符號:
熱繼電器元件圖形符號 熱繼電器常開觸頭圖形符號 熱繼電器常閉觸頭圖形符號
4、中間繼電器
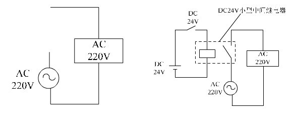
中間繼電器的原理是將一個輸入信號變成多個輸出信號或將信號放大(即增大繼電器觸頭容量)的繼電器。其實質是電壓繼電器,但它的觸頭較多(可多達8對)、觸頭容量可達5-10A、動作靈敏。
當其他電器的觸頭對數不夠時,可借助中間繼電器來擴展他們的觸頭對數,也有通過中間繼電器實現觸電通電容量 的擴展。
常見中間繼電器圖片
中間繼電器文字符號:KA
中間繼電器圖形符號:
中間繼電器線圈圖形符號 中間繼電器常開觸頭圖形符號 中間繼電器常閉觸頭圖形符號
5、按鈕
在實際應用中通常根據所需要的觸頭數量、使用的場合及顏色來選擇按鈕。常用的LA18、LA19、LA20等系列按鈕適用于AC500V、DC440V,額定電流5A,控制功率在AC300W、DC70W的控制回路中。
常見按鈕的圖片
按鈕文字符號:SB
按鈕圖形符號:
常開按鈕(常用做“啟動按鈕”) 常閉按鈕(常用做“停止按鈕”) 復合按鈕(常用在電氣控制連鎖電路中)
按鈕顏色要求:
(1)“停止”按鈕和“急停”按鈕必須是紅色。當按下紅色按鈕時必須使設備停止運行或斷電。
(2)“啟動”按鈕的顏色是綠色。
(3)“啟動”和“停止”交替動作的按鈕必須是黑色、白色或灰色,不得使用紅色和綠色按鈕。
(4)“點動”的按鈕必須是黑色。
(5)“復位”(如有保護繼電器的復位按鈕)必須是藍色,當復位按鈕同時還有停止作用時,則必須是紅色。
6、指示燈
指示燈的作用:
(1)指示設備的運行或停止狀態。
(2)監視控制電器的電源是否正常
(3)利用紅燈監控跳閘回路是否正常,用綠燈監控合閘回路是否正常
常用指示燈圖片
7、轉換開關
萬能轉化開關由操作機構、面板、手柄和數個觸頭座等部件組成。
常見萬能轉化開關圖片

萬能轉換開關文字符號為:SA
萬能轉換開關圖形符號為:
各觸頭在手柄轉到不同檔位時的通斷狀態用黑點表示,有黑點的表示觸頭閉合,沒有黑點的表示表示觸頭斷開。
8、行程開關
常見行程開關圖片
行程開關文字符號為:SQ
行程開關圖形符號為:
9、電機接觸器、控制方式示意圖