A1 概述
考慮到內部過壓力作用到蓋板、門、觀察窗等部件上,也考慮到電弧或弧根對外殼的效應以及噴射出的灼熱氣體和灼熱微粒的效應,但以不損傷隔板和活門為限。因此,它不包括所有會造成危害的各種效應,如有毒氣體。故試驗的安排,僅模仿了門和蓋板關閉并正確扣緊這一工況。
A2 可觸及性的分類
按附錄A第A5.3.2條、第A5.3.3條給定的兩種不同試驗條件,可觸及性分為兩類:
A類:僅限于經批準允許的人員方能觸及的金屬封閉式高壓開關柜;
B類:其中觸及性不受限制(包括公眾可觸及的)的金屬封閉式高壓開關柜。
A3 試驗安排
功能單元的類別、數量、安裝中的位置及電弧引燃的部位等,都應根據實際使用中可能出現的部位來確定,但應符合以下要求:
a)試驗應在未引燃過電弧的功能單元上進行;
b)試驗時安裝條件應符合實際的工作情況;
c)功能單元內的各組件已安裝完整;
d)試品應在規定的接地點與接地網相連接;
e)引燃電弧的方式應模擬實際運行中出現故障情況。
A4 施加的電壓和電流
A4.1 總則
加入試品上的試驗電源為三相,其短路電流值與額定短時耐受電流值相等。
A4.2 電壓
試驗回路的施加電壓等于試品的額定電壓,如果能滿足下列條件,選取的電壓值可稍低:
a)電流的實際波形是正弦波形;
b)電弧燃燒時間能滿足預定要求,不致提前熄滅。
A4.3 電流
A4.3.1 交流分量:要求通過試品短路電流值允許的偏差為+5%,且應維持恒定。
A4.3.2 直流分量:要求關合短路的瞬間,使通過試品一個“邊相”的峰值電流等于2.5倍交流分量的有效值,如電壓低于額定值,試品上通過的短路電流峰值,應不低于預期峰值電流的95%。
A4.4 頻率
當額定頻率為50Hz時,試驗電源開始時頻率應在48~52Hz之間。當在其他額定頻率時,其偏差值不應超過額定值的±10%。
A4.5 試驗持續時間
電弧持續時間的選擇與保護裝置的設置確定的電弧可能持續的時間有關,暫定為0.5~1s。
在試驗具有壓力釋放裝置的金屬封閉式高壓開關柜時,僅驗證它對壓力的釋放阻力,電弧持續時間可以取下限。
注:當電流值不同于規定的試驗電流時,要計算該電流時電弧允許持續時間,一般是不可能的。試驗過程中的最大壓力通常不會因較短的燃弧時間而降低,因而不存在由于試驗電流的減少,電弧持續時間增加的這樣一個通用法則。
A5 試驗程序
A5.1 供電電路
當高壓開關柜使用于“直接”接地系統時,電源中性點才予以接地。注意不要因連接線改變了試驗條件。一般在外殼內,可以從兩個方向供電,應選擇可能引起最嚴重電弧效應的供電方向。
A5.2 電弧的引燃
使用直徑為0.5mm的金屬導線在試品的相間引燃電弧;當各相被分隔時,則在一相對地間引燃電弧。
帶電部分以固體絕緣材料覆蓋的功能單元中,應在相鄰兩相絕緣覆蓋件的接頭或間隙處引燃電弧(覆蓋帶電部分的固體絕緣材料上不允許鉆孔以引燃電弧),使故障可能發展為三相短路。
選擇電弧引燃點,應使電弧在功能單元中產生的效應為最大。如果不能肯定引燃點在何處能產生最大效應,則必須在每種功能單元上多進行幾次。
A5.3 觀察氣體熱效應的指示器
A5.3.1 總則
指示器是一些黑棉布片,裝設時,它的切邊不要朝向被試品,并應注意它們彼此之間不能互相引燃。例如,將它們固定在鋼板制的安裝骨架上就可以達到要求,見圖A1。指示器的尺寸約為150mm×150mm。
圖 A1 指示器安裝柜架 (mm)
A5.3.2 A類可觸及性
指示器應垂直固定,面對試品的操作面。必要時,應同時裝設在易被人觸及的各面。它應裝設在高度為2m及以下,且與試品相距300±15mm,面對氣體可能噴出的各點(如接縫處、觀察窗、門等)。在距地面2m高、距試品0.3~0.8m處還應裝設水平放置的指示器,見圖A2。
指示器應使用約150g/m2的黑色棉布。
A5.3.3 B類可觸及性
指示器應垂直裝設于試品所有可觸及側的附近。它應裝設的高度為2m以下,與試品相距100±5mm,面對可能有氣體噴出的各點(如接縫處、觀察窗、門等)。在距離地面2m高、距試品0.1~0.8m處,還應裝設水平放置的指示器。如果試品低于2m,指示器應水平裝于頂蓋上,面對所有氣體可能噴出的各點并與垂直指示器靠近,此時,僅要求垂直指示器達到試品有效高度,見圖A2。
指示器應使用約40g/m2的黑色棉麻細布。
A6 試驗的評價
下列判據均考慮了附錄A第A.1條所列的電弧效應,要求進行試驗者,應決定用哪一判據來評價試驗結果。
A6.1 判據1
門、蓋板等仍應正確地固定好,而沒有開啟的現象。
A6.2 判據2
試品中可能產生危險的零件不應飛出,這些零件包括較大或邊緣銳利的金屬或硬塑料零件,例如觀察窗、壓力釋放簾板、蓋板等。
A6.3 判據3
不應由于燃燒或其他效應,致使電弧將試品的外殼燒穿,而使某些外部件變成為隨意可觸及。
A6.4 判據4
垂直裝設的指示器(附錄A第A.5.3條所指的指示器)是否點燃,如因涂料或粘合劑的燃燒導致指示器點燃,可以不計入。
h—試品高度;i—指示器裝設位置
圖 A2 指示器安裝方式
(a)A類可觸及性;(b)B類可觸及性
A6.5 判據5
水平裝設的指示器(附錄A第A.5.3條所指的指示器)是否點燃,如果在試驗中由于灼熱微粒而不是氣體導致指示器燃燒,可認為符合標準。這可由高速攝影機拍攝的照片作為判斷的依據。
A6.6 判據6
所有的接地連接都是可靠的。
A7 試驗報告
在試驗報告中應提供下列內容:
A7.1 額定值
用圖表示的被試單元的主要尺寸,與機械強度有關的零部件,壓力釋放閥的布置和試品本身在地面或墻上的固定方法。
A7.2 試驗接線及引燃點
試驗線路的實際布設和電弧的引燃點
A7.3 指示器的裝設情況
根據可觸及性分類而規定的指示器的材料和裝設的實際情況。
A7.4 試驗電流
對試驗電流記錄要求如下:
a)在最初三個半波內交流分量的有效值;
b)最大峰值;
c)試驗實際持續時間內交流分量平均值;
d)試驗持續時間。
A7.5 示波圖
試驗中的實際測得電流、電壓波形圖。
A7.6 試驗結果的評價
根據試驗情況,按附錄A第A6條中的規定作出結論。
A7.7 其他有關說明
凡本附錄未規定,在試驗中所發現的異常現象,均應在此項加以說明。
附 錄 B
(標準的附錄)
按短時持續電流的熱效應計算
裸導體截面的方法
下面的公式可用以計算承受電流持續時間為0.2~0.5s的熱效應的裸導體截面:

式中:S——導體截面,mm2;
I——電流有效值,A;
α——系數,以

表示,并按下列規定取值:
銅為13
鋁為8.5
鐵為4.5
鉛為2.5
t——電流通過時間,s;
Δθ——溫升,K,對于裸導體一般取180,如果時間超過2s, 但小于5s,Δθ值可在同一公式中增加到215。
本公式考慮到了溫度升高并非嚴格的絕熱過程。
附 錄 C
(標準的附錄)
局部放電測量
C1 總則
局部放電測量是一種檢測正在試驗中設備某些缺陷的適宜的方法,同時也是對絕緣試驗的有效的補充辦法。經驗表明,局部放電可在某些布置中引起絕緣的介質強度下降,尤其是對固體絕緣。另一方面,由于金屬封閉式高壓開關柜中所使用的絕緣系統的復雜性,不可能在局部放電測量結果和設備的預期壽命間建立一種可靠的關系。
C2 應用
由于絕緣封閉型或復合絕緣的高壓開關柜中大量地采用了有機絕緣材料,進行局部放電測量,并結合其他絕緣試驗,檢驗是否存在由于設備設計不當而造成絕緣的弱點。
由于設計的多樣化,對于試品不可能提出通用的試驗規程。一般,試品應包括與設備的完整裝配中具有相同的絕緣強度的組件和部件。
注
1 應優先選擇完整裝配成的試品。在積木式高壓開關柜中,特別是對嵌入固體絕緣內的各種帶電部件和連接件,試驗必須在裝配完整的試品上進行。
2 由常規組件組合的設計中(例如儀用互感器、套管),這些組件可根據其有關的標準對它們單獨試驗,而本附錄局部放電試驗的目的是檢驗這些組件在裝配中的布置。
由于技術和經濟上的原因,建議局部放電試驗與必作的絕緣試驗在同一組件或部件上進行。
注:此試驗可在一些組件或部件上進行,測量時,必須注意外部的局部放電不要影響測量。
出廠試驗也可以在組件上進行。
決定局部放電試驗必要性的判據是:
a)實際的使用經驗,包括整個生產期間試驗的結果;
b)固體絕緣在最高電場區域下的電場強度值;
c)設備中,主絕緣部分的絕緣材料類型。
C3 試驗回路和測量儀器
在GB7354《局部放電測量》中給出了推薦的試驗回路和測量儀器及檢驗方法。三相設備可在單相試驗回路,也可在三相試驗回路中(見本附錄表C1)試驗。
C3.1 單相試驗回路
程序A
作為一般的方法,適用于中性點直接接地,或不直接接地系統中運行的設備。
為測量局部放電量,每相將相繼接到試驗電壓源上,其余兩相和所有工作時接地的部件都接地。
程序B
僅適用于中性點直接接地系統中運行的設備。
為了測量局部放電量,將采用兩種試驗布置。
首先,應在1.1U(U是額定電壓)試驗電壓下進行測量,每相應相繼接到試驗電壓源上, 其余兩相接地。測量時必須隔離或移去在使用中正常接地的所有的金屬部件。
附加測量應在試驗電壓降到進行,在測量過程中,工作時接地部件均接地,同時三相橋接后接到試驗電壓源上。
C3.2 三相試驗回路
當試驗設備合適和許可時,局部放電試驗可按三相布置進行。
在此情況下,推薦使用三個耦合電容器按圖C1連接, 可用一個放電檢測器相繼接到三個測量阻抗上去。
對在三相回路的一個測量位置中檢測器的檢驗是將已知電量的短時電流脈沖依次注入到每一相和地間。給出的最小偏轉的刻度是用來確定電荷量的。
C4 試驗程序
根據試驗回路(見本附錄表C1),將工頻電壓升高到大于等于1.3U或,且在此值下保持10s。
注:局部放電試驗也可在工頻電壓試驗后降壓進行C1]。
然后,按照試驗回路連續地將電壓降到1.1U或,且在這些電壓下測量局部放電量。
注:U——設備的額定電壓。
如果可能的話,應考慮實際背景噪聲水平,并記錄局部放電的起始電壓和熄滅電壓作為補充資料。
通常,試驗是開關設備處于合閘位置,在其組件或部件上進行,由于局部放電可能損壞隔離開關在分閘位置觸頭間的絕緣,因此,應對隔離開關在分閘位置的情況下,補充進行局部放電測量。
C5 最大允許的局部放電量
在1.1U或電壓下的最大允許局部放電量,由制造廠和用戶商定。
注:在進一步取得可靠數據之前,不規定局部放電量的極限值。目前,這些值由制造廠確定,或在驗收試驗時,由制造廠和用戶協商確定。
局部放電量以(C)庫侖表示。
在電壓下測得的最大允許的局部放電量和根據實際經驗可接受的值給出如下局部放電量的參考值C2]:
樹脂澆注絕緣的套管 20×10-12C;
采用說明:
C1] IEC298中無此內容,采用IEC466進行補充。
C2]采用IEC466的內容補充。
樹脂浸漬紙套管 100×10-12C;
固體絕緣的儀用互感器 50×10-12C;
液體浸漬絕緣的儀用互感器 10×10-12C。
注:這些值不適用于開關設備的其他總裝或分裝部件。
一般說來,對于組件或部件的許可值應為其元件中許可的最高值。
表 C1 局部放電試驗回路和程序
|
|
單 相 試 驗
|
三相試驗
|
|
程序A
|
程序B
|
|
電壓源連接處
|
依次連接到每相
|
依次連接到每相
|
同時連接到三相
|
三相(見圖C1)
|
|
接地連接的元件
|
其他相和工作時所有接地的部件
|
其他兩相
|
工作時所有接地的部件
|
工作時所有接地的部件
|
|
最低預施電壓
|
1.3U
|
1.3U
|
|
1.3U(1)
|
|
試驗電壓
|
1.1U
|
1.1U
|
|
1.1U(1)
|
|
基本圖
|
|
|
|
|
|
注:(1)相間電壓。
(2)中性點不接地系統的補充試驗(僅用于型式試驗)。
|
N—中性點連接;E—接地連接;L1、L2、L3—三相電源的連接端子;
Z1、Z2、Z3—試驗回路阻抗;Ck—耦合電容器;Zm—測量阻抗;
D—局部放電檢驗器;t—被試品
圖 C1 局部放電試驗回路(三相布置)
附 錄 D
(標準的附錄)
用于嚴酷氣候條件下的7.2~40.5kV
交流金屬封閉式高壓開關柜的附加要求
D1 適用范圍
本附錄適用于按照本技術條件的規定并在凝露和污穢方面比正常使用條件更嚴酷的使用條件下使用的戶內金屬封閉式高壓開關柜。
注:雖然機構、連鎖和外殼等機械部件的特性也很重要,但在本附錄中詳細規定的試驗主要是驗證電氣絕緣性能。
D2 適用對象
本附錄提出了凝露和污穢兩方面嚴酷使用條件的兩個等級的定義。確定了金屬封閉式高壓開關柜在規定條件下的性能的試驗程序,以便得出它們在這些嚴酷使用條件下,能否適應的結論。
D3 凝露和污穢運行條件下的嚴酷度
安裝在建筑物內的戶內設備,通常能免遭戶外氣候條件的危害,但可能要承受由于溫度快速變化引起的凝露以及建筑物內污穢的環境。
金屬封閉高壓開關柜周圍的凝露和污穢的使用條件分類如下:
Co:通常不出現凝露(每年不超過兩次)。
Cl:凝露不頻繁(每月不超過兩次)。
Ch:凝露頻繁(每月超過兩次)。
Po:無污穢。
Pl:輕度污穢。
Ph:嚴重污穢。
注
1 Po認為不現實。
2 對于包含有腐蝕性沉積物使用條件,應向制造廠詢問。
考慮到設備特別受到溫度和污穢聯合作用的情況,三個使用條件的嚴酷等級定義如下:
0級:Co Pl。
1級:Cl Pl或Co Ph。
2級:Cl Ph或Ch Pl或Ch Ph。
D4 金屬封閉式開關柜的分類
定義了0、1、2三個設計等級分別對應于附錄D第D3條所述的使用條件嚴酷度的三個等級。按照這些設計等級,高壓開關柜的使用環境條件如下。
D4.1 0類設計
產品用于溫度、濕度可控制的地點,可以周期性地加溫或冷卻、降低濕度。要求安裝產品的建筑物不受戶外氣候條件日變化的影響,并采取了使進入建筑物空氣中沉積物減到最少的措施。
D4.2 1類設計
存在兩種可能性:
a)產品用于沒有溫度、濕度控制的地點。要求安裝產品的建筑物不受戶外氣候條件日變化的影響,但凝露不能排除。采取了使進入建筑物空氣中沉積物減到最少的措施。
b)產品用于溫度、濕度可控制的地點,但安裝產品建筑物進入的空氣無專門使沉積物減到最少的預防措施,或建筑物處在極接近于塵源的地方。
D4.3 2類設計
存在三種可能性:
a)產品用于溫度、濕度不能控制的地點。要求安裝產品建筑物不受戶外氣候條件日變化的影響,但凝露不能排除。未采取專門使進入其建筑物空氣中沉積物減到最少的預防措施,或建筑物處于極接近于塵源的地方。
b)產品用于溫度、濕度不可控制的地點。安裝產品建筑物免受戶外氣候日變化影響的防護很少,以致凝露可能頻繁出現。采取了使進入其建筑物空氣中沉積物減到最少的預防措施,但處在有蒸汽源的地方。
c)產品用于溫度、濕度不可控制的地點。安裝產品建筑物免受戶外氣候日變化影響的防護很少,以致凝露可能頻繁出現。無專門使進入其建筑物空氣中沉積物減到最少的預防措施,或其建筑物處在極接近塵源的地方。
注
1 通過選擇金屬封閉式高壓開關柜合適的防護等級,可使產品外殼內沉積物的數量減到最少。
2 通常變電站裝設過濾器和密封門排除沉積物要比排除凝露容易。
D4.4 根據附錄D第D4.1~第D4.3條定義的三類設計等級,在高壓開關柜中采用的高壓組件及其支持絕緣件的外絕緣爬電比距應符合本技術條件第6.1.2條的規定。
D5 分類程序
對于按本技術條件規定的正常使用條件不要求做附加試驗并符合金屬封閉式高壓開關柜應認為屬于0類設計。
通過試驗來驗證設備滿足1類設計或2類設計的嚴酷使用條件下的性能。進行老化試驗的必要性可以預先進行穿透性試驗來判定。如果成功地通過此項試驗,則設備可直接地歸為2類設計。
如果穿透性試驗被省略或沒有通過,則按1類設計的金屬封閉式高壓開關柜將按照附錄D第D9條承受1級老化試驗;按2類設計的金屬封閉式高壓開關柜將按照附錄D第D10條承受2級老化試驗。
穿透性試驗由一周期性變化的氣候周期組成,在這周期中應進行相關的測量。然后設備暴露在溫度周期變化的鹽霧中,繼之按照附錄D第D8.3條規定的判斷程序在接著的氣候周期期間進行。
1級和2級的老化試驗要求重復采用同一氣候周期,并繼而進行附錄D第D11條中規定的判斷程序。除了2級老化試驗采用多個氣候周期數外,2級老化試驗等同于1級老化試驗。
穿透性試驗所選用的參數(溫度、濕度、污穢)足以代表2類設計定義的使用條件,即頻繁的凝露和嚴重的污穢導致外殼內絕緣件的表面電導約10μS。
分類程序按圖D1所示的流程圖進行。
圖 D1 分類程序流程圖
D6 試驗設備及有關的要求
D6.1 人工氣候試驗室
人工氣候試驗室要求有足夠的容積以便容納被試品。試品裝于人工氣候試驗室多孔的基架上,離地面高度不小于0.5m。氣候試驗室的容積應是被試品容積的5~15倍。被試品外殼壁、頂部與試驗室墻壁、天花板、噴霧器之間的距離應大于相間距離,且不小于0.15m[見圖D2(a)]。對于試驗程序A(參見附錄D第D9.1條),試驗室墻壁與被試設備外殼之間的距離最好不小于1.5m。
此外,需要有一個能按穿透性試驗和試驗程序B(見附錄D第D9.2條)所要求的水滴大小和送給率向試驗室噴射鹽污的霧化云的方法。
由于某些試驗程序中使用的污穢(鹽霧)對試驗室內的某些器材及其與功能有關的重要部分有潛在危害,這些在用腐蝕性材料進行試驗時,建議用聚乙烯薄膜罩將設備罩上,見圖D2(b)。
A—試品;B—噴霧裝置;C—加熱裝置
圖 D2 人工氣候試驗室及污穢處理試驗的布置
(a)人工氣候試驗室;(b)污穢處理實驗的可能布置
D6.2 控制設備
為了產生20~50℃范圍的周期性溫度變化,需要控制溫度以及能快速地改變溫度。控制溫度的偏差小于±2℃,保持溫差±2℃的公差也是重要的。
對濕度也需要從低于80%到高于95%的相對濕度范圍內進行相當好的控制。
為了獲得上述這些結果,要求有向人工氣候試驗室注入蒸汽云的設備,以便同時增加溫度和濕度,還要求有注入冷的干燥空氣的設備以便進行逆過程。
為了保持整個試驗室的狀態是均勻一致的,要求采取一些空氣循環的措施,還要求有能對試驗室進行干燥加熱的裝置。
D6.3 測量設備
要求提供一個或幾個高壓電源以便在進行某些試驗時能對被試品施加電壓,為此電源應能在氣候周期性變化過程中保持額定電壓,偏差為0~-5%。
為了施加判斷試驗電壓(其值至少達到被試設備額定電壓的3倍),要求有短路容量至少1A的電源。這個電源應有保護裝置,試品在閃絡或擊穿放電的情況下,切除試驗電源的時間小于0.1s。
如果條件允許,按照本技術條件附錄C的規定采取措施對被試單元的每相進行局部放電測量。
如果條件允許,還要采取措施測量被試單元每相的泄漏電流有功分量(R)的有效值。金屬封閉式高壓開關柜的主回路應連接到電壓等于額定電壓而一相接地的三相電源上,或者最好是連接到電壓等于額定電壓的單相電源上,主回路的帶電部分相互連接在一起(見本技術條件附錄E的規定)。
D7 試驗設備的選擇和布置
D7.1 設備的選擇
試驗應該在一個完全裝配好的配有其全部元件并與運行狀態一致的典型功能單元上進行。被試功能單元及其元件應是新的、干凈的。
注:對于各相分裝的開關設備允許進行單相單元試驗。
D7.2 設備的布置
被試品應裝在附錄D第D6.1條中所述的人工氣候試驗室中,并使其處于正常位置。功能單元的試驗布置不應比正常運行布置有利,特別是關于外部連接應是如此。
設備的連接,應使得功能單元根據所選擇試驗程序的要求能以三相電源對其施加額定電壓。
考慮到泄漏電流的檢測,被試品的接地部分應連接到保護導體上。如果適用,金屬封閉式高壓開關柜應與地絕緣(見本技術條件附錄E的規定)。
(r·h·)—相對濕度
圖 D3 穿透性試驗·參考性測量·判斷程序(設備帶電)
D8 穿透性試驗
這項試驗,是用來檢查設備的外殼防止污穢和凝露侵襲的效應,以便能估計被試設備暴露于嚴酷氣候條件下的這種效果。
采取的方法,是將被試設備置于鹽霧環境中,承受溫度和濕度周期性變化。
用上述方法進行,比較試驗前、后在同一條件下的局部放電及泄漏電流,來評價(驗證)封閉的絕緣能承受的污穢程度(設計等級)。
D8.1 參考性測量
裝于人工氣候試驗室中的功能單元(參見附錄D第D6.1條)應施加額定電壓,并按下列規定承受一個氣候周期(參看圖D3)。
人工氣候試驗室內的溫度應在3h內從(25±3)℃上升到(40±2)℃。溫度在(40±2)℃保持2h,然后在1h內降到(25±3)℃。最高溫度和最低溫度之差應保持在(15±2)℃。然后溫度在(25±3)℃保持2h。
溫度周期性變化過程中的初始相對濕度為95%并保持4.5h。然后相對濕度在0.5h內降到80%并保持此值2.5h。最后,相對濕度應在0.5h內升高到95%。
注:某些人工氣候試驗室降低溫度至25℃時伴隨著有干燥效應,以致此時的濕度降低到規定的80%以下。在這種情況下,應增長周期時間,使濕度在周期結束前上升到規定值。
在整個氣候周期中,應對被試單元的每相進行局部放電及泄漏電流的有功分量R有效值進行測量,最好連續進行記錄。若無連續記錄裝置,記錄局部放電及泄漏電流的時間間隔應不超過1min。對于循環中的每一分鐘,平均值是以該1min的值前面兩個值和后面兩個值進行平均計算而得。將這些綜合平均值描繪成局部放電及泄漏電流隨時間變化的曲線。
D8.2 污穢處理
對被試品不施加電壓。
圖 D4 穿透性試驗·污穢處理(設備不帶電)
暴露試驗室、人工氣候試驗室或聚乙烯膜室內的溫度,根據情況,需在1h內由周圍空氣溫度上升到(40±2)℃,并保持此溫度1h。然后切除熱源,設備承受來自噴霧裝置的鹽溶液的噴淋,鹽溶液的濃度為5kg/m3。噴霧的流量率應是1m3暴露室容積為0.3L/h至0.5L/h。噴霧1h后停止噴霧。這個穿透性試驗周期應重復進行8次(參看圖D4)。
D8.3 判斷程序
污穢處理后,去掉保護罩(如果有的話),被試功能單元再次帶電,然后按附錄D第D8.1條的規定再進行6個試驗循環。在這些循環的最后一個循環中,按D8.1條的規定測量局部放電量和泄漏電流。
緊接著最后一個氣候周期,溫度保持在(25±3)℃,相對濕度保持在95%。進行單相工頻電壓試驗:一相施加的電壓,U是設備的額定電壓,其余兩相接地并連接到設備的保護導體上。電壓一直升到設備的額定工頻耐受電壓(電壓上升率為0.5~0.7kV/s),并在此值下保持30s。試驗應連續地依次在三相上重復進行,兩次試驗之間的時間間隔應根據實際情況盡量短。
D8.4 評定
應對穿透性試驗開始和結束時的每分鐘所測得綜合平均值進行比較。計算每一最終測量值與相應的每一起始測量值之比。從而確定出泄漏電流和局部放電量水平的最大比值。
如果局部放電之比值及泄漏電流之比值均未超過2,而且在絕緣試驗中未出現閃絡或擊穿, 則設備就可以定義為2類設計,無需作進一步的試驗。
然后,應檢查被試品及其組件的功能特性不應受到影響,對試品的外觀、防銹涂料、結構連接有無銹蝕、損傷,以及機械零部件腐蝕性程序應予記錄(如果有的話)。
注
1 目前提出比值2,但為了驗證這個值的有效性,需作進一步研究。
2 如果局部放電量或泄漏電流記錄的起始值非常低,則可采用較高的比值。
3 驗證機械性能的附加試驗由用戶同制造廠協商進行。
如果被試品不滿足關于局部放電及泄漏電流的上述判據,但絕緣試驗中未出現閃絡或擊穿,則設備可以按照下述規定分類:
a)已通過附錄D第D9條規定的1級老化試驗后的設備,定義為1類設計;
b)已通過附錄D第D10條規定的2級老化試驗后的設備,定義為2類設計。
如果在絕緣試驗中出現閃絡或擊穿,則設備被定義為0類設計。
D9 1級老化試驗
1級老化試驗的目的是驗證設備是否滿足1類設計的要求。
按照附錄D第D7條規定選擇被試設備及進行試驗準備。
進行老化試驗過程中,建議監測泄漏電流以收集關于設備性能的資料。
對于這些老化試驗,提出了兩個試驗程序。在進一步實踐期間,認為第二個程序是等價的。
D9.1 試驗程序A
功能單元及其元件應該是新的和干凈的,絕緣零部件不進行任何表面處理。
功能單元裝于人工氣候試驗室,在兩個為期9d的完全相同的試驗周期中按下列規定多次反復承受2h濕熱循環試驗(參見圖D5)。
圖 D5 1級老化試驗·試驗程序A(見D9.1條)
人工氣候試驗室的相對濕度保持在95%以上,其溫度在40min內由(30±3)℃上升到(50±2)℃,維持20min。然后溫度在40min內下降到(30±3)℃,此時不規定濕度值,隨后溫度在(30±3)℃保持20min,這整個期間的相對濕度保持在80%以上。此外,高低溫度之差應保持在(20±2)℃范圍以內。
為了使溫度升高,可以直接向人工氣候試驗室注入蒸汽云(包含懸浮狀的細水滴);溫度從30℃增加到50℃是由于注入的蒸汽云產生熱交換的結果。注入沒有蒸汽的干燥空氣可以使溫度降低。(30±3)℃和(50±2)℃之間的變化調節,可以通過相繼地噴入蒸汽云和隨后注入冷的干燥空氣到試驗室中而獲得。
9d的試驗周期,按照以下規定分配時間:
在頭7d,對被試品施加其額定電壓,承受84個濕熱循環試驗。7d試驗后,停止試驗2d,溫度保持在最后一個濕熱循環結束時的30℃。去掉蒸汽和冷空氣源,停止施加電壓,打開功能單元的門。
在中斷試驗兩天的最后數小時,對操作裝置和功能單元的門進行機械操作。應對動作時間、觸頭速度、連鎖動作等的變化進行記錄。
完成兩個9d的試驗周期后,應按照附錄D第D11.1條規定的判斷程序,對被試品的性能進行評定。
D9.2 試驗程序B
功能單元的絕緣零部件應采用不損傷絕緣材料性能的合適方法清洗干凈(即用溫水和磷酸三鈉)。
對被試功能單元施加額定電壓,并按照以下程序多次反復進行周期為12h的溫度—濕度試驗循環(參看圖D6)。
人工氣候試驗室或聚乙烯薄膜室的溫度,根據情況按約10℃/h溫度變化率,從(30±3)℃至(50±2)℃進行周期性變化。此外,高低溫之間的溫度差應保持在(20±2)℃范圍內。
在t1及t3的2h溫度過渡期間,不規定相對濕度值,但在t2的2h期間,濕度應在80%以下而溫度維持在(50±2)℃。在t4的6h期間,濕度在95%以上而溫度維持在(30±3)℃。
采用連續噴鹽水溶液霧和加熱的方法,獲得溫度和濕度的變化。鹽水溶液由每立方米不含礦物的水加入0.176kg鹽(氯化鈉)獲得。合成濕度應是這樣,即在試驗室收集到的水的電阻率在20℃時應近似等于30Ωm。噴鹽溶液霧的流量率應是每立方米試驗室容積0.3~0.5l/h。霧滴的直徑應在5~10μm范圍內。
注:根據試驗室的設備,時間t1和t3可能不得不縮短,但此時時間t2和t4應增長,以保持t1-t2+t3+t4等于常數。
圖 D6 1級老化試驗·試驗程序B(見第D9.2條)
被試功能單元應承受10個相同的溫度——濕度循環。完成這10個循環后,應按照附錄D第D11.2條所規定的判斷程序對被試設備的性能進行評定。
D10 2級老化試驗
2級老化試驗的目的是驗證設備是否滿足2類設計的要求。
2級老化試驗按照程序A或程序B組成更多的氣候循環試驗。
按程序A.總的試驗持續時間是由5個周期為9d的相同的試驗循環組成,接著就是進行附錄D第D11.1條中規定的判斷程序。
按程序B,總的試驗持續時間是由20個相同的溫度—濕度循環組成,接著進行附錄D第D11.2條中規定的判斷程序。
注:對于按照程序A已成功地通過1級老化試驗的設備,允許立即繼續進行3個周期為9d的相同的試驗循環。然后,1級老化試驗后進行判斷程序之前,試驗程序B要求進行清理,按照剛才敘述的程序A方式繼續進行試驗是不可能的。
D11 老化試驗后的判斷程序
老化試驗結束后,被試品應按照下列規定進行絕緣試驗。
D11.1 試驗程序A后
被試品首先承受1min額定工頻干耐受電壓試驗
然后,人工氣候試驗室的溫度增高到(30±2)℃,相對濕度近似到95%。在試品不施加電壓條件下經3h后,進行以下絕緣試驗(參看圖D7)。
圖 D7 按照程序A或B老化試驗后工頻濕耐壓試驗
對一相施加的電壓(U是設備的額定電壓),其他兩相接地并且連接到設備的保護導體上。1h后,電壓升到且保持30s(電壓上升率為0.5~0.7kV/s之間),應連續依次地在其他兩相上重復此試驗,試驗間隔應盡可能短。
D11.2 試驗程序B后
整個被試品用不含礦物的水清洗凈,然后在試驗室不施加電壓干燥20h,此時試驗室溫度為20±2℃,相對濕度小于80%。
按照附錄D第D11.1條中規定的條件,被試品應承受工頻干、濕耐受電壓試驗。
D11.3 評定
如果滿足下列條件,則被試品通過了1類設計或2類設計所規定的老化試驗:
a)按照程序A或程序B進行人工氣候試驗循環中未出現電擊穿或閃絡;
b)在判斷程序中未出現擊穿或閃絡;
c)試品的功能特性即動作時間、觸頭速度、連鎖動作等無明顯變化。同時外觀、防銹涂料、結構連接有無銹蝕、損傷,機械零部件的腐蝕程度(如果有的話)應記錄在試驗報告中。
附 錄 E
(標準的附錄)
泄漏電流的測量
在相間及相對地間具有大的電容的設備中,泄漏電流的無功分量可能有很大的幅值。而在與絕緣的體積電導及表面電導有關的泄漏電流幅值中,僅泄漏電流的有功部分是有用的,因此要求一種僅測量泄漏電流有功部分的方法。
試驗回路內測量裝置的布置對于泄漏電流有效值的測量是關鍵。圖E1至圖E4表示了4種布置方式,表E1概述了它們的特點。
表 E1 泄 漏 電 流 測 量
|
|
布置方式1
(見圖E1)
|
布置方式2
(見圖E2)
|
布置方式3
(見圖E3)
|
布置方式4
(見圖E4)
|
|
電壓負荷與
運行的相同
|
是
|
非
|
非
|
是
|
|
適于老化試驗時監測
|
非
|
非
|
非
|
是
|
|
適用于判斷程序
|
非
|
是
|
是
|
是
|
|
相間電壓負荷
|
是
|
是
|
是
|
是
|
|
指示相間電流
|
非
|
非
|
非
|
是
|
|
測量裝置與支持
絕緣子并聯
|
是
|
是
|
是
|
非
|
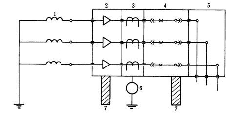
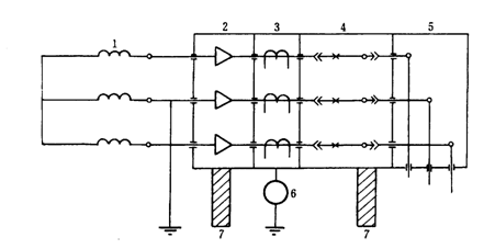
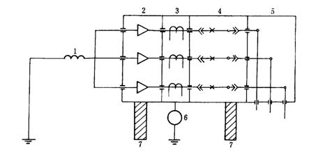
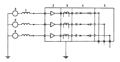
1—電源變壓器;2—電纜盒;3—電流互感器;4—斷路器(已合閘);
5—主回路母線匯流排;6—測量裝置;7—支柱絕緣子
圖 E1 泄漏電流測量:布置方式1
1—電源變壓器;2—電纜盒;3—電流互感器;4—斷路器(已合閘);
5—主回路母線匯流排;6—測量裝置;7—支柱絕緣子
圖 E2 泄漏電流測量:布置方式2
1—電源變壓器;2—電纜盒;3—電流互感器;4—斷路器(已合閘);
5—主回路母線匯流排;6—測量裝置;7—支柱絕緣子
圖 E3 泄漏電流測量:布置方式3
1—電源變壓器;2—電纜盒;3—電流互感器;4—斷路
器(已合閘);5—主回路母線匯流排;6—測量裝置
圖 E4 泄漏電流測量:布置方式4